RISC-V32I 微处理器设计

1. 任务描述

本次课程设计要求设计一款32位单周期(或流水线)RISC-V CPU,至少支持12条指令,指令类型覆盖R型、I型、S型、B型、U型以及J型(指令格式见图1),要求完成上述CPU的可综合电路设计、应用程序开发及FPGA下载验证。

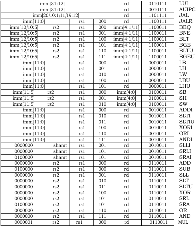
RISC-V指令集指令格式定义

alt text

指令集

本次课程设计所设计的32位RISC-V CPU所支持的指令如下:
Pasted image 20250305223105.png

具体含义

and rd, rs1, rs2 rs1,rs2按位与,结果存储在rd
or rd, rs1, rs2 rs1,rs2按位或,结果存储在rd
xor rd, rs1, rs2 rs1,rs2按位异或,结果存储在rd
andi rd, rs1, imm rs1,imm按位与,结果存储在rd
ori rd, rs1, imm rs1,imm按位或,结果存储在rd
xori rd, rs1, imm rs1,imm按位异或,结果存储在rd
sll rd, rs1, rs2 将rs1逻辑左移,左移位数为rs2,结果存储rd
srl rd, rs1, rs2 将rs1逻辑右移,右移位数为rs2,结果存储rd
sra rd, rs1, rs2 将rs1算术右移,右移位数为rs2,结果存储rd
slli rd, rs1, imm 将rs1逻辑左移,左移位数为imm,结果存储rd
srli rd, rs1, imm 将rs1逻辑左移,右移位数为imm,结果存储rd
srai rd, rs1, imm 将rs1算术左移,右移位数为imm,结果存储rd
add rd, rs1, rs2 rd = rs1 + rs2
sub rd, rs1, rs2 rd = rs1 - rs2
addi rd, rs1, rs2 rd = rs1 + imm
mul rd, rs1, rs2 rd = rs1 * rs2
lw rd, imm(rs1) 从内存地址中加载一个32位有符号或无符号字到寄存器rd,地址为rs1+imm
lh rd, imm(rs1) 从内存地址中加载一个16位有符号半字到寄存器rd,地址为rs1+imm
lhu rd, imm(rs1) 从内存地址中加载一个16位无符号半字节到寄存器rd,地址为rs1+imm
lb rd, imm(rs1) 从内存地址中加载一个8位有符号字节到寄存器rd,地址为rs1+imm
lbu rd, imm(rs2) 从内存地址中加载一个8位无符号字节到寄存器rd,地址为rs1+imm
sw rd, imm(rs2) 将rd中的32位值存储到(rs2+imm)地址的内存中
sh rd, imm(rs2) 将rd中的最低16位值存储到(rs2+imm)地址的内存中
sb rd, imm(rs2) 将rd中的最低8位值存储到(rs2+imm)地址的内存中
beq rs1, rs2, imm 如果rs1等于rs2,跳转到pc+imm
bne rs1, rs2, imm 如果rs1不等于rs2,跳转到pc+imm
blt rs1, rs2, imm rs1小于rs2(有符号),跳转到pc+imm
bltu rs1, rs2, imm rs1小于rs2(无符号),跳转到pc+imm
bge rs1, rs2, imm rs1大于等于rs2(有符号),跳转到pc+imm
bgeu rs1, rs2, imm rs1大于等于rs2(无符号),跳转到pc+imm
jal rd, imm 首先将PC+4的地址值存储到返回寄存器rd,然后跳转到pc+imm标签处
jarl rd, rs1, imm 首先将PC+4的地址值存储到返回寄存器rd,然后跳转到imm+rs1得到的地址
slt rd, rs1, rs2 如果rs1值小于rs2(有符号),则rd置1,否则置0
slti rd, rs1, imm 如果rs1值小于立即数imm(符号扩展后),则rd置1,否则置0
sltu rd, rs1, rs2 如果rs1值小于rs2(无符号),则rd置1,否则置0
sltui rd, rs1, imm 如果rs1值小于立即数imm(无符号),则rd置1,否则置0

2. 硬件电路总体设计方案

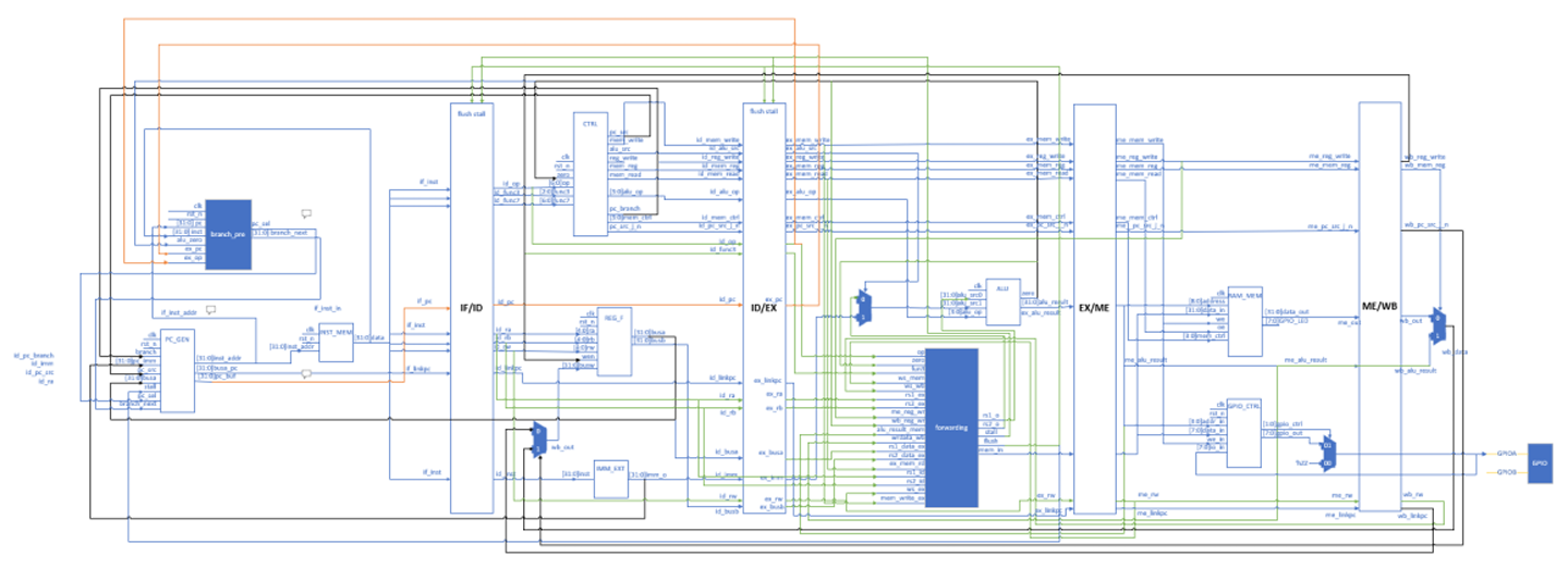
processor_pipelined_core顶层模块图

alt text

RISC-V CPU的总体结构图如图所示:

其中在基本的单周期处理器数据通路基础上添加了四个触发器用以寄存五级流水线每级的控制信号及数据,添加指令预测(branch_pre)、数据前递(forwarding)两模块作为五级流水线处理器特有的模块,分别提供控制冒险、数据冒险的解决方案

表 RISC-V CPU顶层模块输入输出端口定义

序号 端口名称 端口位宽 输入\输出类型 端口说明
1 clk 1bit input CPU时钟输入
2 rst_n 1bit input CPU复位输入
3 me_alu_result 32bits output 访存阶段alu结果
4 me_mem_write 1bit output 访存阶段ram写信号
5 me_mem_read 1bit output 访存阶段ram读信号
6 me_mem_ctrl 3bits output 访存阶段ram控制信号
7 me_mem_in 32bits output 访存阶段ram输入数据
8 if_inst_addr 32bits output 取指阶段指令地址
9 GPIOA 8bits inout 通用输入输出端口

3. 硬件电路详细设计方案

3.1指令存储器(Inst_Mem)模块设计

3.1.1 Inst_Mem功能描述

在时钟上升沿来临时根据地址输出指令

给出reg定义的instruction memory读出时序图

alt text

3.1.2 Inst_Mem端口定义

表2 指令存储器模块输入\输出端口定义

序号 端口名称 端口位宽 输入\输出类型 端口说明
1 clk 1bit input 指令存储器时钟
2 inst_addr 32bits input 指令存储器访存地址
3 data 32bits output 指令存储器指令输出

3.1.3 Inst_Mem详细设计方案

本设计使用条件编译,有reg定义存储器与block memory ip存储器可选择,存储器宽度都为32bits深度为6000。

可使用distributed memory ip,设计深度为6000,适用于小规模应用程序处理

3.1.4 Inst_Mem模块级仿真结果

alt text

3.2数据存储器模块(Data_Mem)设计

3.2.1 Data_Mem功能描述

与寄存器的数据进行互通。将寄存器中的数据写入数据存储器进行存储,或将数据存储器的数据读出,加载到寄存器中

给出data memory存储器读写时序

alt text

3.2.2 Data_Mem端口定义

序号 端口名称 端口位宽 输入\输出类型 端口说明
1 clk 1bit input 存储器时钟
2 address 13bits input 读写地址
3 we 1bit input 写使能
4 oe 1bit input 读使能
5 mem_ctrl 3bit input 存储行为控制信号
6 data_in 32bits input 数据输入
7 data_out 32bits output 存储器输出
8 vga_out 4bits output 数字识别结果

3.2.3 Data_Mem详细设计方案

data_memory使用distributed memory ip,设计深度为6000,适用于小规模应用程序处理

3.2.4 Data_Mem模块级仿真结果

alt text

通过仿真图可以看出,本模块设计考虑到了非全字的load与store,全部功能正常

3.3寄存器堆模块(Regfiles)设计

3.3.1 Regfiles功能描述

使用reg定义32个32位寄存器,能够在时钟上升沿来临时输出地址ra、rb的数据busa、busb,并在下降沿来临时写入地址rd数据busw。

3.3.2 Regfiles端口定义

序号 端口名称 端口位宽 输入\输出类型 端口说明
1 clk 1bit input regfile时钟
2 rst_n 1bit input regfile复位
3 ra 5bits input rs1写地址
4 rb 5bits input rs2写地址
5 rw 5bits input rd读地址
6 wen 1bit input 读使能
7 busw 32bits input rd写入数据
8 busa 32bits output rs1输出数据
9 busb 32bits output rs2输出数据

3.3.3 Regfiles详细设计方案

使用复位初始化每个寄存器为0,并使x0为常零,每个寄存器的写使能为当寄存器文件写wen信号为高时与写地址相与,得到具体每位寄存器的写使能。

给出regfile读写时序

alt text

3.3.4 Regfiles模块级仿真结果

alt text

通过仿真图可以看出,本模块实现了预期的全部功能,上升沿读取与下降沿写入

3.4主控制模块(Control)设计

3.4.1 Control功能描述

时钟上升沿来临时,根据输入的指令译出各模块所需的控制信号

3.4.2 Control端口定义

序号 端口名称 端口位宽 输入\输出类型 端口说明
1 op 7bits input 指令opcode
2 func3 3bits input 指令func3
3 func7 7bits input 指令func7
4 mem_write 1bit output memory写使能信号
5 alu_src 1bit output alu rs2来源
6 reg_write 1bit output regfile写使能
7 mem_reg 1bit output 写回数据选择信号
8 mem_read 1bit output memory读使能
9 pc_branch 1bit output j型指令跳转信号
10 pc_src 1bit output 指令地址计算数选择
11 alu_op 4bits output alu行为控制
12 mem_ctrl 3bits output memory行为控制
13 pc_src_j_n 1bit output 写回选择linkpc

3.4.3 Control详细设计方案

使用七位opcode、三位function3、七位function7直接译出各个模块的控制信号,其中alu使用两级译码,控制器内有两位alu_ctrl,用以做一级译码,再继续根据function3、function7做二级译码,最终输出alu_op

其余信号使用一级译码可以直接输出

控制信号真值表如下:

instr_type Branch MemRead MemtoReg MemWrite ALUSrc RegWrite
U_type 0 0 0 0 1 1
R_type 0 0 0 0 1 1
load 0 1 1 0 1 1
I_type 0 0 0 0 0 1
B_type 1 0 0 0 1 0
jal 1 0 0 0 0 1
jalr 0 0 0 0 0 1
S_type 0 0 0 1 1 0

3.4.4 Control模块级仿真结果

alt text

通过仿真图可以看出,设计符合预期,模块为组合逻辑电路,则每个指令来临时都可以输出各个模块的控制信号

3.5 ALU模块设计

3.5.1 ALU功能描述

Arithmetic and Logic Unit 算术逻辑单元,是处理器中负责运算的组件,能够进行算出运算和逻辑运算

3.5.2 ALU端口定义

序号 端口名称 端口位宽 输入\输出类型 端口说明
1 alu_src0 32bits input rs1寄存器源操作数
2 alu_src1 32bits input rs2寄存器源操作数
3 alu_op 4bits input ALU运算模式控制信号
4 zero 1bit output 计算结果为0信号
5 alu_result 32bits output ALU计算结果

3.5.3 ALU详细设计方案

模块设计时使用条件编译,设计有使用符号及例化运算器的两种运算方式。例化32位加法器、乘法器和移位器,通过alu_op信号对运算方式进行选择,对两个源操作数进行运算,将运算的结果从alu_result输出。若加法器计算结果为0,则zero信号拉高。

控制信号与运算类型间的对应关系如下表:

alu_ctrl 运算类型 对应指令
0100 add add/addi/jal/jalr/load/store
0101 sub sub/B_type/slt/slti/sltiu
1000 xor xor
0111 or or/ori
0110 and and/andi
0001 sll sll/slli
0010 srl srl/srli
0011 sra sra/srai
1001 slt sltu/slt/sltiu
1100 mul mul
1011 lui lui

3.5.4 ALU模块级仿真结果

alt text

仿真图可以看出,在source有输入时,通过计算就可以得出各个结果,然后根据alu_op就可以选择出所需要的结果输出

3.6立即数产生模块(Imm_gen)设计

3.6.1 Imm_ext功能描述

对指令中给出的立即数进行扩展,从而可以送入各模块中进行计算

3.6.2 Imm_ext端口定义

序号 端口名称 端口位宽 输入\输出类型 端口说明
1 inst 32bits input 32位指令
2 imm_o 32bits output 扩展后的32位立即数

3.6.3 Imm_ext详细设计方案

通过指令不同的opcode区分出不同型态的指令,直接根据指令译码得到符号位扩展后的立即数

3.6.4 Imm_ext模块级仿真结果

alt text

通过仿真图可以看出,本模块可以实现符号扩展的立即数生成

3.7外围电路设计

3.7.1 功能描述

本设计具有交互性外设,有拨码开关四位,VGA显示输出。能够控制当前输入数字以及显示最终识别的结果

3.7.2 详细设计方案

由于提前将需要识别的数字存于片上的block memory,则使用四位拨码开关进行选择输入处理器进行运算

在得到识别结果之后,将需要识别的数据与识别成功的数据传至VGA,最终同时在显示器上显示

4. 验证方案及总体仿真结果

4.1仿真验证方案

仿真验证方案设计思路:

编写汇编语言测试程序,在Ripes上运行,然后将指令初始化在处理器的指令存储器中进行仿真,与Ripes中的结果进行比对。用此种方法验证,必须保证测试程序将每种指令的每种情况都涵盖,尽可能验证处理器的全部功能正确。

验证程序:

addi x31 zero -8    # 将x30和x31写入了两个负值,
srai x30 x31 1      # 用于后续涉及到符号数、无符号数的指令的验证
addi x1 zero 1      # 验证一部分alu运算指令
slli x2 x1 1
ori x3 zero 3
xori x4 zero 4
addi x5 zero 5
add x6 x1 x5
add x7 x2 x5
sll x8 x4 x1
xor x9 x8 x1
add x10 x8 x2
or x11 x8 x3
addi x12 zero 12
addi x20 zero 10    # 验证分支跳转指令,#出现错误会使x1寄存器置0
beq x10 x20 8
addi x1 zero 0
addi x13 zero 13
bne x1 x2 8
addi x1 zero 0
addi x14 zero 14
blt x1 x2 8
addi x1 zero 0
addi x15 zero 15
bge x4 x3 8
addi x1 zero 0
addi x16 zero 16
bltu x31 x30 8
addi x1 zero 0
addi x17 zero 17
bgeu x30 x31 8
addi x1 zero 0
addi x18 zero 18
add x20 x18 x1
sw x20 0(x16)
lw x19 0(x16)
andi x4 x5 4        # 验证一部分alu指令,出现错误会覆盖正确结果
srli x2 x4 1
srai x1 x2 1
sub x3 x5 x2
srl x4 x8 x1
sra x3 x6 x1
slt x20 x30 x31     # 验证置位指令,正数与正数,正数与负数,负数与负数情况均包含
slt x21 x31 x30
slt x22 x2 x1
slt x23 x1 x2
slt x24 x1 x31
slt x25 x31 x1
sltu x26 x31 x1
sltu x27 x1 x31
sltiu x28 x31 4
slti x29 x5 6
jal x20 8            # test 验证无条件跳转指令
addi x1 zero 0
jalr x20 x8 0xd8
addi x1 zero 0
lui x31 0x12345      # 验证lui指令
addi x31 x31 0x678
addi x20 zero 0x10   # 验证三种store指令
sb x31 0(x20)
addi x20 x20 0x4
sh x31 0(x20)
addi x20 x20 0x4
sw x31 0(x20)
lb x22 0(x20)        # 验证三种load指令
lh x24 0(x20)
lw x26 0(x20)

说明:

x30和x31写入了两个负值,用于后续涉及到符号数、无符号数的指令的验证。x1-x12验证了ALU的大部分运算,包括加法、移位、逻辑运算和带立即数的运算;x13-x18验证了B—type的指令跳转是否正确,后续又验证了ALU的另外一部分指令,如果出现错误会使之前写入到寄存器文件的值发生改变。x20-x29验证了slt、sltu、sltiu这几种写回为0或1的ALU运算,包括正数和正数、负数和负数、正数和负数全部情况的比较。最后用x20、x22、x24、x26寄存器验证了无条件跳转指令和存储器的各类读写指令。

若处理器的功能正确,结果应为:

  1. x1-x19寄存器中的值与寄存器号相同;
  2. x20为中间寄存器;
  3. 当验证到slt一类的指令时,x20-x29寄存器中,寄存器号为奇数的寄存器中的值为1,寄存器号为偶数的寄存器中的值为0;
  4. x22、x24、x26寄存器的值分别被78、5678、12345678覆盖
  5. 整个过程中x1-x9的值始终不被覆盖
  6. 若x1寄存器的值为0,则说明该位置的分支跳转指令出错

4.2仿真验证结果

alt text

结合验证方案对仿真结果进行分析:

alt text

在仿真结果中可以看到,寄存器x1-x12的值依次为寄存器号,x20作为中间寄存器,值一直在改变并且与Ripes中的结果一致,在x20-x29中,奇数号寄存器的值为1,偶数号寄存器的值为0,最后x22、x24、x26寄存器的值分别被78、5678、12345678覆盖,由仿真结果可以看出寄存器和存储器对应位置的值均正确,验证了load指令和store指令。

5.应用程序设计及FPGA开发板验证

5.1 应用程序设计

本次处理器设计的应用程序为基于LeNet-5的手写数字识别,因为LeNet-5的权重参数较大,我们对改网络的架构进行了简化,网络架构如下图

alt text

图片数据大小为灰度值8bit,权重量化同样为8位,权重参数共780B ,可以存储到片上存储中直接访问。

本设计首先使用高级语言对整个计算过程进行构建,然后使用risc-v toolchain将高级语言汇编为机器码。

C语言中部分核心代码如下:

***C
// C1卷积层

for(int n=0; n<3; n++)//3层
{
	for(int row=0; row<=23; row++)//中层循环的上限为24,以确保在28x28的输入图像上滑动一个5x5的窗口时不越界。
	{
		for(int col=0; col<=23; col++)
		{
			conv\_temp\_c1 = 0;
			for(int x=0; x<5; x++)
			{
				for(int y=0; y<5; y++)
				{
					conv_temp_c1 += img_data[(row+x)*28 + (col+y)] * cnn_param_w_c1[x*5+y+n*25];
				}
			}
			conv_temp_c1 = conv_temp_c1 >> 8;
			conv_temp_c1 += cnn_param_b_c1[n];//卷积核的偏置
			conv_rlst_c1[row*24+col+n*24*24] = conv_temp_c1;
		}
	}
}

使用编译器将C语言汇编为机器码,写入instruction memory ip的coe中,在Ripes中查看编译后的RISC-V汇编语言。

alt text

5.2 FPGA下载验证

alt text

至此,本设计完成从设计到验证到原型机搭建验证。